Enem 2025 - Questão 130 - Prova Azul

Em sua maioria, os equipamentos eletrônicos domésticos demandam baixa potência elétrica em corrente contínua. Para alimentá-los, uma fonte externa ou embutida transforma a corrente alternada em corrente contínua de baixa tensão. Entretanto, cada equipamento tem suas especificidades, e muitas vezes não é possível simplesmente trocar essas fontes sem levar em conta a tensão, a corrente ou a potência elétrica de saída.

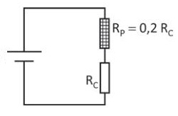
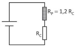
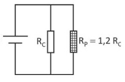
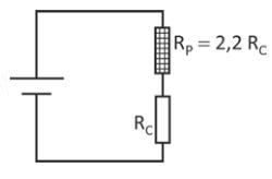
Considere um equipamento de resistência elétrica R_c que funciona corretamente apenas em um dado valor de tensão. Porém, a única fonte de alimentação disponível fornece uma tensão 20% superior à tensão recomendada. Para adaptar essa fonte ao aparelho, a associação de um resistor de proteção R_p, de potência adequada, se faz necessária.

A configuração adequada do circuito e o valor do resistor de proteção, em relação ao valor da resistência do equipamento, são:

Alternativas:

Variantes por Cor do Exame

Esta mesma questão aparece em posições diferentes em cada cor de prova do ENEM. Clique nas variantes abaixo para ver a questão na posição correspondente de cada cor:

Compartilhar Questão

Use o link abaixo para compartilhar esta questão específica: